Hydraulik-Mengenteiler für präzise Volumenstromverteilung
Hydraulik-Zahnradmengenteiler sorgen für eine exakte und druckunabhängige Aufteilung von Volumenströmen. In kompakter Bauweise und mit hoher Teilungsgenauigkeit eignen sie sich ideal für synchronisierte Bewegungen in modernen Hydraulikanwendungen. Entscheidend für eine zuverlässige Funktion ist die richtige Auslegung auf Ihren konkreten Einsatzfall.
Präzise Lösungen für gleichmäßige Volumenströme
Hydraulik-Mengenteiler ohne Phasenausgleichsventil
Mengenteiler ohne Phasenausgleichsventile arbeiten ausschließlich über die mechanische Kopplung der Zahnradsektionen. Ein aktiver Volumenausgleich zwischen den einzelnen Sektionen findet nicht statt.
Ausgleich ausschließlich über interne Leckage
Bei dieser Bauart kann ein Volumenunterschied nur durch die interne Leckage der Zahnradsektionen ausgeglichen werden. Ein separates Phasenausgleichsventil zur aktiven Korrektur der Volumenströme ist nicht vorhanden.
Auswirkung auf die Endlagenfunktion
In der Endlage bedeutet dies, dass der Mengenteiler länger unter Druck gehalten werden muss, damit sich Volumenunterschiede vollständig ausgleichen können. Die notwendige Haltezeit verlängert sich dabei um einen anwendungsabhängigen Faktor X.
Geeignet für definierte Anwendungen
Mengenteiler ohne Phasenausgleichsventil eignen sich insbesondere für Anwendungen mit:
- gleichmäßigen Lastverhältnissen
- unkritischen Endlagen
- ausreichenden Haltezeiten im System
Für Anwendungen mit hohen Synchronitätsanforderungen oder kurzen Taktzeiten sollte die Ausführung mit Phasenausgleichsventil geprüft werden.


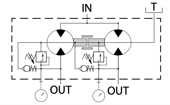
Zahnradmengenteiler mit Phasenausgleichsventil
Diese Ausführung sorgt für eine hohe Synchronität der Teilströme und ist ideal, wenn Gleichlauf und Genauigkeit im Fokus stehen.
Zentraler Volumenausgleich
Das Phasenausgleichsventil gleicht Volumenabweichungen zwischen allen Sektionen zentral aus. So bleiben die Teilströme auch bei Lastunterschieden stabil.
Sektionen über Rückschlagventile gekoppelt
Die Sektionen sind über Rückschlagventile miteinander verbunden. Dadurch erfolgt der Ausgleich kontrolliert, ohne unerwünschte Rückströmungen.
Vorteile in der Praxis
- Bessere Teilungsgenauigkeit und Gleichlauf
- Stabilere Endlagen, weniger Nachregeln
- Geeignet für dynamische Anwendungen mit wechselnden Lasten
Zahnradmengenteiler mit Phasenausgleichs- und Nachsaugventil
Diese Ausführung bietet maximale Genauigkeit und Flexibilität bei anspruchsvollen Anwendungen mit wechselnden Lasten und Bewegungsrichtungen.
Beidseitiger Volumenausgleich
Jede Sektion ist mit einem Phasenausgleichs- und einem Nachsaugventil ausgestattet. Dadurch erfolgt der Volumenausgleich in beide Richtungen, sowohl beim Ausfahren als auch beim Einfahren.
Individuell einstellbarer Druck pro Sektion
Der Druck kann für jede Sektion separat eingestellt werden. Das ermöglicht eine präzise Anpassung an unterschiedliche Lastverhältnisse und Bewegungsprofile.
Vorteile im Betrieb
- Höchste Synchronität der Teilströme
- Zuverlässiger Gleichlauf auch bei Lastwechseln
- Ideal für komplexe und dynamische Anwendungen

Tipp für die richtige Auslegung von Zahnradmengenteilern
Zylinderverhältnis richtig einplanen
Unterscheiden sich die wirksamen Volumina von Kolben- und Stangenseite, entstehen unterschiedliche Volumenströme in Vor- und Rückhub. Diese Differenz wirkt sich direkt auf den Mengenteiler aus.
Praxisbeispiel
Beträgt das Zylinderverhältnis 1 : 1,25, fällt beim Einfahren des Zylinders ein um 25 Prozent höherer Rücklaufvolumenstrom an. Dieses zusätzliche Öl muss über den Mengenteiler sicher abgeführt werden.
Fazit für die Auslegung
Der maximale Volumenstrom in beide Richtungen ist bei der Auswahl des Zahnradmengenteilers zwingend zu berücksichtigen, um Fehlfunktionen und ungleichmäßige Bewegungen zu vermeiden.
Persönliche Unterstützung
Gerne unterstützen Sie unsere Techniker bei der richtigen Auslegung.
Telefonisch unter 07031 4994-0 erhalten Sie praxisnahe und anwendungsbezogene Beratung.
Inbetriebnahme-Anleitung für Mengenteiler

Jetzt den passenden Zahnradmengenteiler finden
Ob Neuauslegung, Austausch oder Optimierung bestehender Hydrauliksysteme: Wir unterstützen Sie bei der Auswahl des richtigen Zahnradmengenteilers für Ihre Anwendung. Profitieren Sie von technischer Beratung, schneller Verfügbarkeit und hochwertigen Markenprodukten.
Lassen Sie sich jetzt persönlich beraten oder fordern Sie direkt ein passendes Angebot an.
Unsere Experten klären Ihre Anforderungen, prüfen die Auslegung und begleiten Sie von der Auswahl bis zur Inbetriebnahme.
Häufige Fragen zu Zahnradmengenteilern
1. Was ist ein Zahnradmengenteiler?
Ein Mengenteiler besteht aus zwei oder mehr Zahnradmodularelementen (Sektionen), die mechanisch durch eine innere Welle miteinander verbunden sind, die sie mit gleicher Geschwindigkeit drehen lässt.
Im Prinzip haben wir einen Eingangsstrom, der in x-Ausgangsströme aufgeteilt wird.
Aus diesem Grund arbeiten Zahnradmengenteiler im Unterschied zu normalen statischen Mengenteilern (3-Wege-Ventile) mit einem überaus höheren Genauigkeitsfaktor.Jeder Hydraulik-Mengenteiler erzeugt einen kleinen Fehler bei der Teilung der Ströme. Hochwertige Teiler, beispielsweise von Vivolo, haben einen Teilungsfehler von unter 3 %.
Hydraulik-Zahnradmengenteiler müssen genau auf Ihre Anwendung hin abgestimmt werden.
Wenn Sie Hilfe benötigen, helfen Ihnen unsere Techniker gern unter 07031/4994-0
2. Wofür werden Zahnradmengenteiler eingesetzt?
Zahnradmengenteiler werden eingesetzt, wenn mehrere Zylinder oder Motoren gleichmäßig versorgt werden müssen, zum Beispiel bei Hub- und Verstelleinrichtungen, Pressen oder synchronen Bewegungsachsen.
3. Wie genau ist die Volumenteilung?
Die Teilungsgenauigkeit liegt typischerweise bei etwa 3 Prozent oder besser, abhängig von Bauart, Betriebsbedingungen und Auslegung. Für viele industrielle Anwendungen ist diese Genauigkeit ausreichend.
4. Was ist der Unterschied zwischen Mengenteilern mit und ohne Phasenausgleich?
Ohne Phasenausgleich erfolgt der Volumenausgleich nur über interne Leckage. Mit Phasenausgleichsventil wird das Volumen aktiv zwischen den Sektionen ausgeglichen, was die Synchronität verbessert.
5. Wann ist ein Nachsaugventil sinnvoll?
Ein Nachsaugventil ist sinnvoll bei wechselnden Lasten oder reversierenden Bewegungen. Es ermöglicht den Volumenausgleich in beide Richtungen und erhöht die Funktionssicherheit.
6. Muss ein Mengenteiler in der Endlage unter Druck gehalten werden?
Bei Ausführungen ohne Phasenausgleichsventil ist dies notwendig, da der Volumenausgleich Zeit benötigt. Mengenteiler mit Phasenausgleich reduzieren diesen Effekt deutlich.
7. Wie wichtig ist die richtige Auslegung?
Die Auslegung ist entscheidend für Funktion und Lebensdauer. Faktoren wie Volumenstrom, Druck, Zylinderverhältnis und Einsatzart müssen berücksichtigt werden, um Fehlfunktionen zu vermeiden.
8. Können Zahnradmengenteiler herstellerunabhängig ersetzt werden?
In vielen Fällen ja. Voraussetzung ist eine technisch korrekte Vergleichsauslegung hinsichtlich Volumenstrom, Druckstufe, Baugröße und Anschlussbild.
9. Welche Drücke und Volumenströme sind möglich?
Je nach Serie sind Betriebsdrücke bis 300 bar und Volumenströme von wenigen Litern pro Minute bis über 100 l/min realisierbar.
10. Unterstützen Sie bei Auswahl und Inbetriebnahme?
Ja. Unsere Techniker beraten Sie bei der Auswahl, prüfen die Auslegung und unterstützen bei Einbau, Inbetriebnahme und Optimierung bestehender Anlagen.
















